WSMB-DK Wtyk SMB do druku, kątowy, częstotliwość do 4GHz
1
Cena regularna:
towar niedostępny
dodaj do przechowalni
Opis
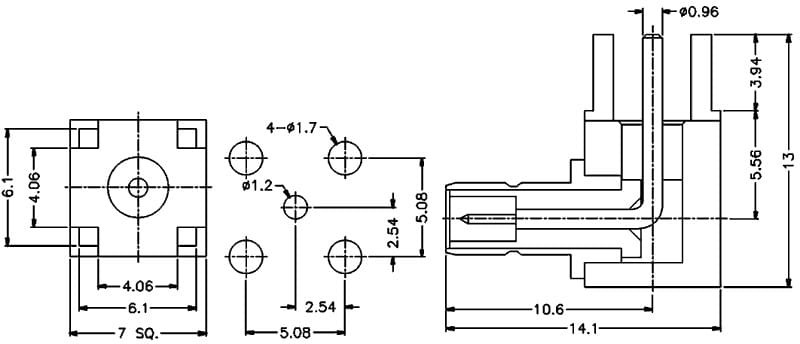
WSMB-DK Wtyk SMB do druku, kątowy
- Profesjonalne wtyki SMB kątowe do druku.
- Rezystancja styku : wewn. -3 mΩ, zewn. - 0,5 mΩ
- Rezystancja izolacji : 1000 MΩ
- Zakres częstotl. : 0-4 GHz
- Straty : 0,3 dB max/1,5 GHz
- Impedancja : 50 Ω
- Izolator : Teflon
- Wykończenie pow. : złocenie
- Producent : Amphenol
