PN0012 Przełącznik 2 styki przełączne, bistabilny DPDT, ON-ON
13
Cena regularna:
towar niedostępny
dodaj do przechowalni
Opis
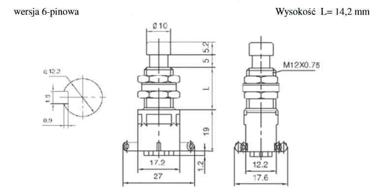
PN0012 Przełącznik 2 styki przełączne, bistabilny DPDT
- Nazwa Przełącznik
- Rodzaj przełącznika przyciskowy
- Symbol PBS24-102
- Sposób przełączania ON-ON
- Ilość torów 2 tory
- Kolor klawisza / przycisku srebrny
- Podświetlenie bez podświetlenia
- Typ przełącznika bistabilny
- Wyprowadzenia / montaż do lutowania
- Ilość pozycji 2 pozycje
- Prąd styków AC 2A
- Napięcie przełączania AC 250V AC
- Otwór montażowy 12,2mm
- Kolor korpusu metalowy
- Materiał korpusu metal
- Certyfikaty RoHS
Pliki do pobrania:
Dane techniczne
| rodzaj | nożne |
| wyjścia | do lutowania |
| kolor przycisku | srebrny |
| konfiguracja | DPDT |
| maksymalny prąd | 2 A |
| ilość pozycji stabilnych | 2 pozycje |
