MIER-TABE50UADC2 Amperomierz tablicowy do 50uA [DC] - pomiar prądu stałego - wymiar: 48x42mm
Cena regularna:
towar niedostępny
dodaj do przechowalni
Opis
MIER-TABE50UADC2 Amperomierz tablicowy do 50uA [DC] - pomiar prądu stałego - wymiar: 48x42mm
- Typ miernika miernik panelowy
- Zakres pomiaru prądu DC 0...50uA
- Klasa dokładności 2,0
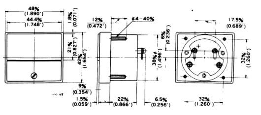
- Wymiary 48 x 42 x 23,5mm
- Wymiary wycięcia panelu: 39 x 39 mm
- Opór wewnętrzny: 3.2kOhm
- Montaż 4 śruby z tyłu miernika
- Masa 60g
Elektromagnetyczne urządzenia do wbudowania w tablice rozdzielcze, służące do pomiaru i kontroli wielkości AC. Klasa 2,0. Praca w położeniu pionowym. Przeznaczone są do zamontowania na płytach czołowych: przyrządów pomiarowych, szaf sterowniczych, urządzeń technologicznych i elektromedycznych. Są one odporne na działanie wstrząsów i wibracji. Wysokiej jakości magnesy trwałe zastosowane w ustrojach pomiarowych zapewniają utrzymanie klasy dokładności mierników w czasie wieloletniej eksploatacji.
