MIER-LICZMR310-KOLO Koło pomiarowe do liczników metrów - obwód 0.2m
Cena regularna:
towar niedostępny
dodaj do przechowalni
Opis
MIER-LICZMR310-KOLO Koło pomiarowe do liczników metrów - obwód 0.2m
Przy doborze koła należy kierować się głównie rodzajem mierzonego materiału. obwód koła powinien być dobrany odpowiednio do rozmiaru licznika i dostępnej przestrzeni. Im mniejsze koło, tym większa jest siła wywierana na jego powierzchnie i większa możliwość błędnego pomiaru.
Czynniki wpływające na dokładność pomiaru:
- rodzaj mierzonego materiału,
- kąt styku koła pomiarowego z materiałem,
- moment obrotowy licznika lub przetwornika obrotowo - impulsowego,
- siła naciągu mierzonego materiału,
- chropowatość powierzchni,
- nacisk wywierany przez koło na mierzony materiał,
- podatność mierzonego materiału,
- szerokość koła pomiarowego,
- tolerancja koła pomiarowego.
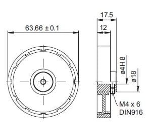
| Materiał | tworzywo sztuczne, pokrycie gładki Hytrel |
| Obwód | 0,2 m |
| Szerokość pomiarowa | 12 mm |
| Otwór montażowy | 4 mm |
