HFV3024-1Z4G Przekaźnik przełączny - cewka: 24V [30A] z uchwytem
9
Cena regularna:
towar niedostępny
dodaj do przechowalni
Opis
HFV3024-1Z4G Przekaźnik przełączny - cewka: 24V [30A] z uchwytem
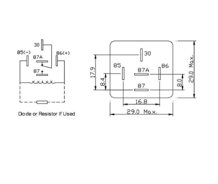
- Typ przekaźnika: elektromagnetyczny
- Konfiguracja styków: SPDT
- Napięcie cewki nominalne: 24V DC
- Prąd styków maks.: 30A
- Obciążalność styków DC (przy obciążeniu rezystancyjnym): 30 A / 14 VDC
- Wersja przekaźnika: samochodowy
- Rezystancja cewki: 160Ω
- Materiał styku: AgCdO
- Montaż: na panel
- Temperatura pracy: -40...85°C
- Wymiary zewnętrzne korpusu: 26 x 26 x 25mm
- Wymiary uchwytu mocującego: 14 x 16mm
- Seria przekaźnika: 4141F
- Rezystancja styków: 50mΩ
- Wyprowadzenia konektory: 6,3x0,8mm
- Masa: 0.04kg
Dane techniczne
| przekaźnik - napięcie cewki | 24V DC |
| przekaźnik - prąd styków | 30A |
| przekaźnik - typ, rodzaj | SPDT samochodowy |
