CK1062 Przełacznik obrotowy - 4 sekcje 3 pozycje ZP (zwierajacy, do druku)
Cena regularna:
towar niedostępny
dodaj do przechowalni
Opis
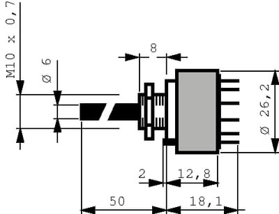
CK1062 Przełącznik obrotowy - 4 sekcje 3 pozycje ZP (zwierający, do druku)
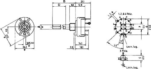
- Typ przełącznika: obrotowy
- Ilość pozycji stabilnych: 3-pozycyjne
- Ilość sekcji: 4
- Kąt przełączania: 30°
- Średnica osi: 6mm
- Długość osi: 50mm
- Obciążalność styków DC (przy obciążeniu rezystancyjnym) przy przełączaniu: 0.15 A / 250 V
- Obciążalność styków DC (przy obciążeniu rezystancyjnym) w stanie załączonym: maksymalnie 5A/250VAC
- Wyprowadzenia: do druku
- Gwint montażowy: M10x0,75
- Rezystancja izolacji min.: 25000MΩ
- Sposób przełączania: MBB (zwierający przy przełączeniu)
- Temperatura pracy: -30...85°C
- Trwałość mechaniczna: 10000cykli
- Materiał styku: mosiądz
- Pokrycie styku: srebrzony
- Moment siły przełączającej: 8.6Ncm
- Materiał korpusu: poliamid
- Masa: 0.010kg
Dane techniczne
| rodzaj | obrotowe |
| wyjścia | do druku |
| kolor przycisku | nie dotyczy |
| maksymalny prąd | 5 A |
| ilość pozycji stabilnych | 3 pozycje |
