SPEC5k Potencjometr wieloobrotowy 5k SPECTROL 534
Cena regularna:
towar niedostępny
dodaj do przechowalni
Opis
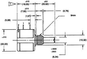
SPEC5k Potencjometr wieloobrotowy 5k SPECTROL 534
- Producent VISHAY
- Typ potencjometru osiowy, wieloobrotowy
- Rezystancja 5kΩ
- Moc 2W
- Średnica osi 6.35mm
- Tolerancja ±5%
- Wymiary korpusu Ø22.22 x 19mm
- Seria potencjometrów 534
- Materiał ścieżki drutowy
- Właściwości potencjometrów precyzyjny
- Ilość obrotów elektr. 10
- Długość osi 12.7mm
- Tolerancja liniowości ±0.25%
- Rezystancja izolacji min. 1000MΩ
- Temperatura pracy -55...125°C
- Długość gwintu 8mm
- Współczynnik temperaturowy 20ppm/°C
Dane techniczne
| rodzaj | osiowe wieloobrotowe |
| rezystancja | 5k |
| moc | 2W |
